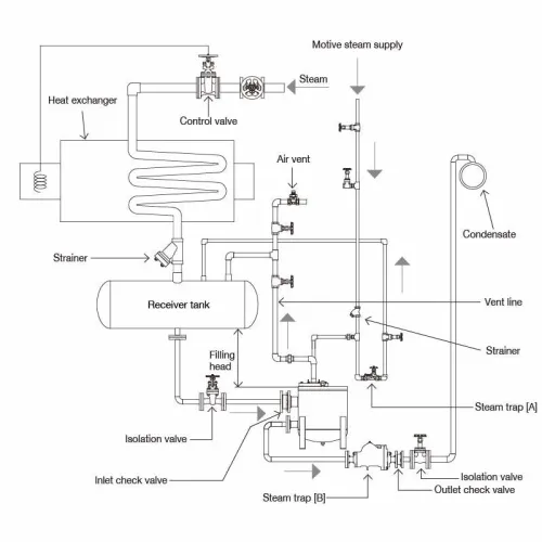
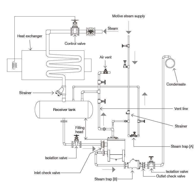
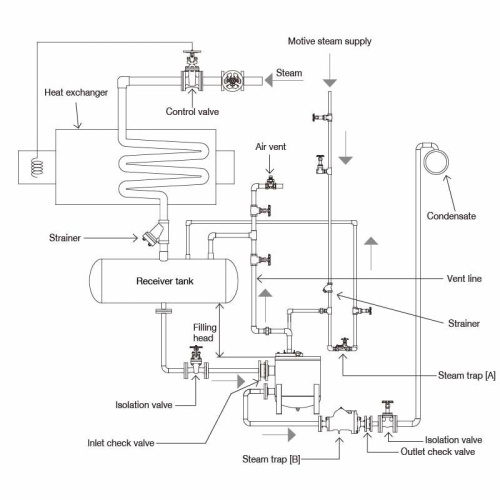
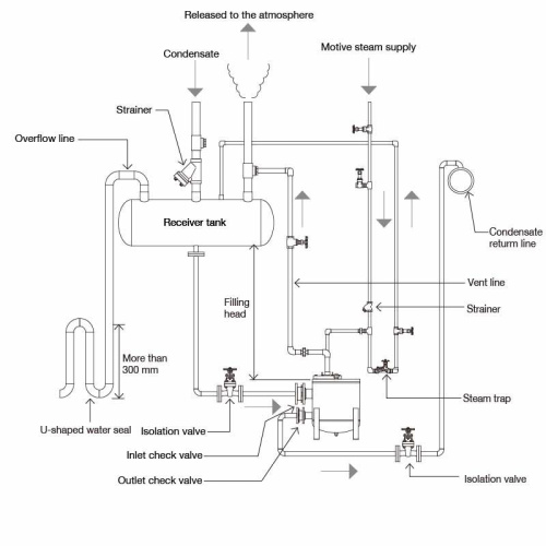
Система выталкивает конденсат, используя давление движущей среды*, следовательно ее легко можно устанавливать во взрывобезопасных зонах.
При этом удаленные установки не требуют дополнительной электросети.При этом удаленные установки не требуют дополнительной электросети.
| Модель | Соединение |
Макс. раб. |
Макс. раб. |
Движущая среда |
Материал корпуса |
|||
| Размер | (бар) | (℃) | ||||||
|
Впуск для конденсата |
Выпуск для конденсата |
Впуск для движущей среды |
Выход |
|||||
|
GLP81E |
3" (С фланцами*1)
|
2” (С фланцами*1)
|
1/2” (Резьбовое исполнение)
|
1” (Резьбовое исполнение)
|
10,5 |
185 |
Пар/ |
Углеродистая |
*1Потенциально может соответствовать следующим стандартам фланцев: JIS16KFF ASME/JPI 150lb
●Максимально допустимое давление (PMA): 13,7бар
●Максимально допустимая температура (TMA): 185℃
●При размещении заказа необходимо указать модель GL81E-A. Данное изделие продается в комплекте, который содержит следующие дополнительные принадлежности.
| Обратный клапан на стороне впуска* | 80A (3”) x1 |
| Прокладка на стороне впуска | 80A (3”) x2 |
| Фланец на стороне впуска | 80A (3”) x1 |
| Болт с гайками на стороне впуска | 8 комплектных крепежных элементов (4 комплектных крепежных элемента для ASME/JPI150 lb) |
| Крепления корпуса | x2 |
| Обратный клапан на стороне выпуска* | 50A (2”) x1 |
| Прокладка на стороне выпуска | 50A (2”) x2 |
| Фланец на стороне выпуска | 50A (2”) x1 |
| Болт с гайками на стороне выпуска | 8 комплектных крепежных элементов (4 комплектных крепежных элемента для ASME/JPI150 lb) |
* Следует убедиться, что для обратных клапанов на стороне впуска и стороне выпуска применяются стандартные принадлежности.
1. Забронировать товар (написав нам или заполнив заявку на сайте с указанием подходящего способа оплаты).
2. Оплатить счет.
3. После поступления денежных средств на счет компании с Вами свяжется менеджер для уточнения деталей доставки.
Если вы не получили товар, Вам необходимо связаться с менеджером интернет-магазина по электронной почте. Менеджеры ответят на все Ваши вопросы.
Цены уточняются по запросу.
Безналичный расчет
Любой товар нашего магазина можно приобрести по безналичному расчету. Для этого вам необходимо:
1. Зарезервировать товар (написав нам или заполнив заявку на сайте, указав подходящий способ оплаты).
2. Оплатить счет.
3. После зачисления средств на счет компании, с вами свяжется менеджер для уточнения деталей доставки.
Если вы не получили товар, вам необходимо связаться с менеджером интернет-магазина по телефону и электронной почте. Менеджеры ответят на все ваши вопросы.
Возврат
Вы можете частично или полностью вернуть заказ с указанием причины в течение 14 дней с момента получения товара. Денежные средства будут вам возмещены в течение 10-14 рабочих дней.
Чтобы отказаться или вернуть товар, вам необходимо написать на электронную почту info@veza-e.ge или позвонить по телефону, указанному в шапке сайта.
Возврат товара надлежащего качества
При возврате товара надлежащего качества вам возвращается только стоимость товара. Расходы на доставку и обратную пересылку не возвращаются. При частичном возврате стоимость доставки заказа не возвращается.
Вы имеете право вернуть товар надлежащего качества, если он не подошел Вам по размеру, или какому-либо иному критерию, при соблюдении следующих условий:
Товар и упаковка имеют первоначальный товарный вид (сохранены упаковка, пломбы, ярлыки)
Имеется документ, подтверждающий факт и условия покупки указанного товара (товарный или кассовый чек, счет-фактура)
Срок подачи заявления на возврат не превышает 14 дней с момента получения заказа.
Товар не входит в перечень невозвратных товаров.
Возврат товара ненадлежащего качества
При возврате товара ненадлежащего качества Клиенту возвращается полная стоимость товара, доставки и обратной пересылки. При частичном возврате стоимость доставки заказа Клиенту не возвращается. Под
товаром ненадлежащего качества понимается товар, который является неисправным и не может обеспечить выполнение своих функциональных качеств. К товарам ненадлежащего качества также относятся товары, которые Клиент возвращает из-за несоответствия заказанного товара (артикула, качества). Отличия элементов дизайна или оформления товара от заявленных в описании на сайте не являются показателями качества товара.
Возможен самовывоз по предварительной договоренности.
Чтобы быстро получить свой заказ, вам необходимо его сформировать и оплатить.
Наша компания сотрудничает только с проверенными перевозчиками и курьерскими службами.
Осуществляем доставку в страны: Литва, Латвия, Эстония, Польша, Украина, Грузия, Азербайджан, Армения, Казахстан, Узбекистан, Кыргыстан.


